Вытяжной вентилятор R2E 150 AN 91-05 на пиролизный котел
Характеристики
- Производитель M+M Польша
- Производительность, м3/ч 235
- Тип вентилятора Вытяжной
- Максимальные обор, обор/мин 2400
- Потребляемая мощность, W 32
- Максимальное давление, Па 170
- Напряжение и частота тока, В/Гц 230/50
- Емкость конденсатора, uF 1,0
- Температура окружающей среды, оС 80-250
- Материал корпуса Алюминий
- Вес, кг 1,6
- Производитель Польша
- Гарантия 24 месяца
Цену уточняйте
В наличии
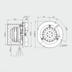
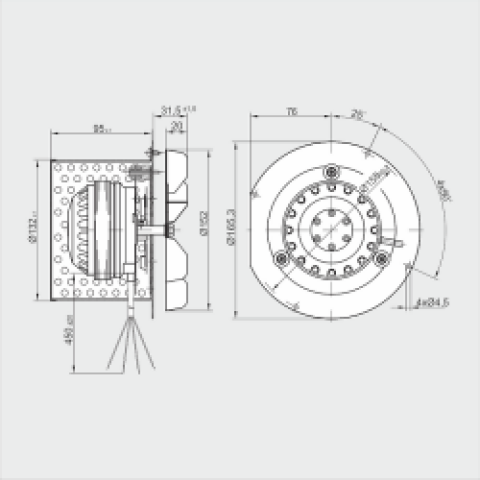
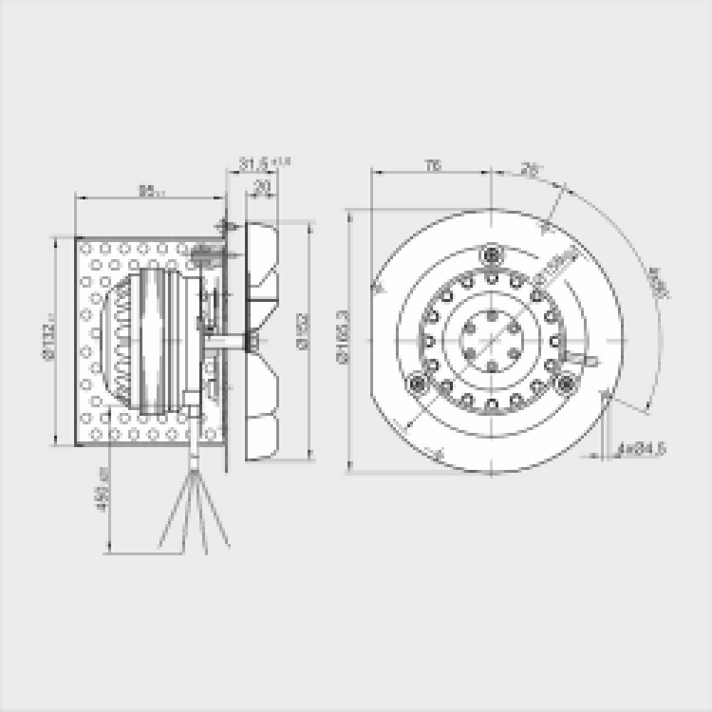
| Страна производитель | Польша |
| Тип дымососа по принципу работы | Вентиляторный |
| Тип вентиляторного дымососа | Осевой |
| Тип центробежного вентиляторного дымососа | Одностороннего всасывания |
| Тип дымососа по мобильности | Стационарный |
| Производительность | 235.0(куб. м/час) |
| Частота вращения | 2400.0(об/мин) |
| Максимальная температура дымовых газов | 250.0(град.) |
| Напряжение сети | 220~240 В |
| Частота тока | 50(Гц) |
| Степень защиты IP | 20 |
| Вес | 1.6(кг) |
| Гарантийный срок | 24(мес) |
| Дополнительные характеристики | |
| Максимальное статическое давление: | 170 Па |
| Мощность, Вт | 32 Вт |
| Температура окружающей среды: | от -25 до +100 ° C |
| Защита мотора от тепловых перегрузок, установлена внутри: | Есть |
| Стандарт: | EN 60335-1 |
| Тип двигателя | M2E 068-BF |
| Монтажное положение: | Горизонтальное или вертикальное , любое |
| Режим роботы: | Постоянный |
| Назначение комплектующего | Для твердотопливных котлов |
| Материал лопастного колеса : | Нержавеющая сталь |
| Направление вращения: | Против часовой стрелки |
Данное оборудование используется для обеспечения необходимой тяги в дымоходах твердотопливных котлов. Материал крыльчатки дымососа изготовлен со специальной нержавеющей стали. Дымосос работает при температуре в интервале 0-250оС. Тип двигателя R2E 150-AN91 - EBM Papst. Устанавливается на дымоходную трубу твердотопливных котлов, в горизонтальном или вертикальном положении. Дымососный узел эффективен при возможности создания разряжения уходящих газов. Также есть незаменимым в момент добавления новой порции топлива.
Отзывы о товаре

Просмотренные товары

